地址:浙江省台州市三门县浦坝港镇
沿海工业城梦海路
电话:+0086-576-83586777




















8:00-17:00
地址:浙江省台州市黄岩区新前街道乐华路301号
电话:+0086-576-84025727
地址:浙江省台州市三门县浦坝港镇
沿海工业城梦海路
电话:+0086-576-83586777
地址:浙江省台州市黄岩区新前街道乐华路301号
电话:+0086-576-89190385
地址:上海市杨浦区市光路728号810室
电话:+0086-021-52163915
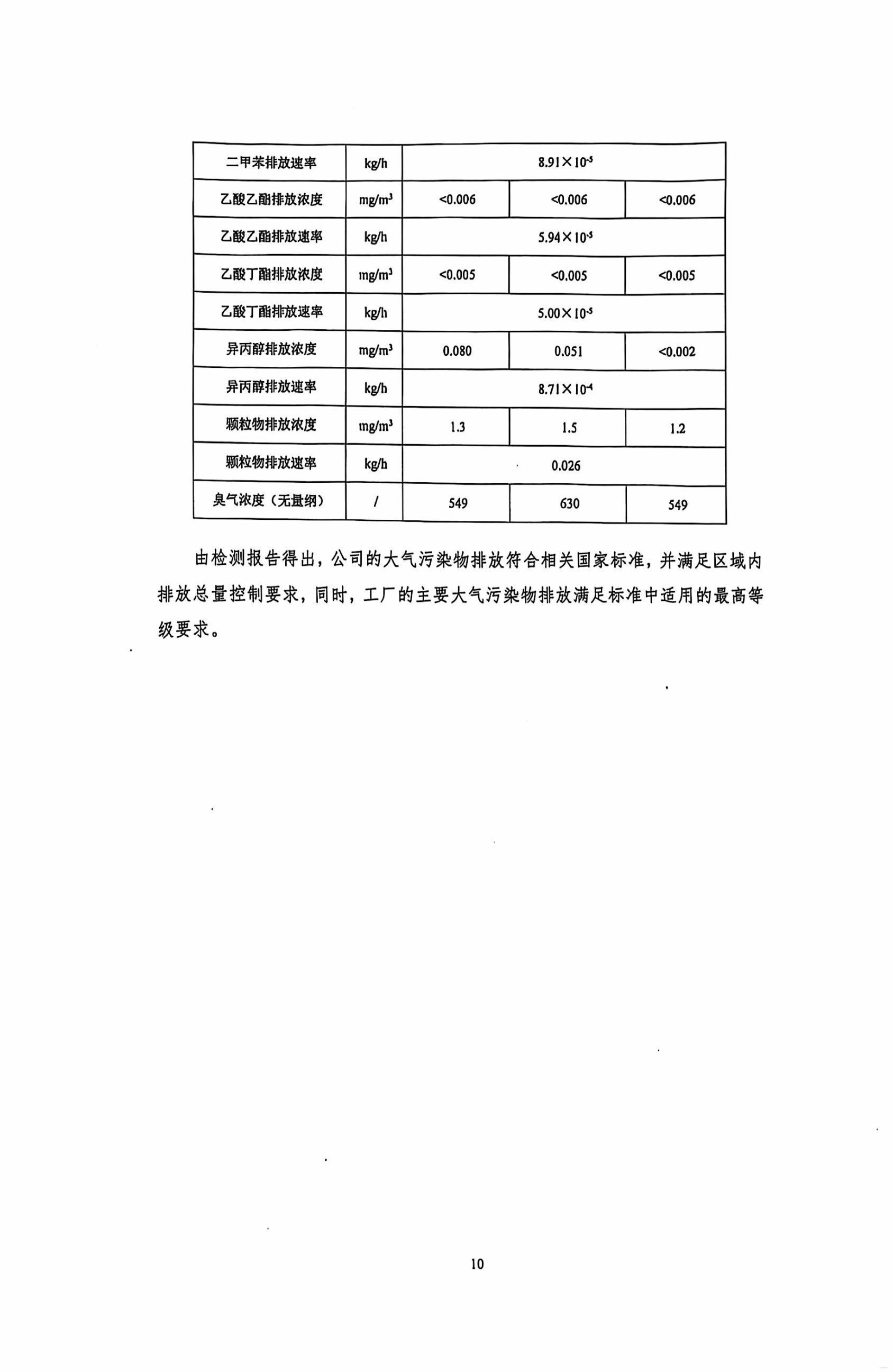
扫一扫 关注江南(中国)